您好! 欢迎,全国天下信息网
管理 |  登录 |  注册
全国
选城市
首页 领币排行榜 游戏与工具
首页 > 天下好文
benz001 访客(102)

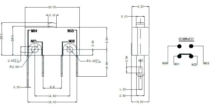
压接微动开关(无杠杆电子开关元件)

发布时间: 2023-03-29 16:10:54
阅读 0赞 0回复
相关图片(共3图)

详细内容
压接微动开关(无杠杆电子开关元件) 轻触 滑动开关是具有微小接点间隔和快动机构,用规定的行程和规定的力进行开关动动作的接点机构,用外壳覆盖,其外部有驱动杆的一种开关,因为其开关的触点间距比较小,故名微动开关,又叫灵敏开关。

指一个可以使电路开路、使电流中断或使其流到其他电路的电子元件,由于体积小重量轻在电器方面得到广泛的应用如:影音产品、.数码产品、遥控器、通讯产品、家用电器、安防产品、玩具、电脑产品、医疗器材、汽车按键等等。

汽车微动开关什么意思指装在汽车车门上的微动开关,是用来感知或检测车门、儿童锁以及中控是否锁到位的一种门开关,其工作原理是当车门关上时相应的机构件会接触到微动开关的操作柄,当操作柄被按下时电路导通,随即会有一个信息传达到仪表上显示出来,如果门未关好由于结构设计时已计算好需要按下的行程,则微动开关电路不会被导通,显示到仪表上的信息则示未关好门的警告提示

五金部有自动车床,CNC数控电脑车床 为主要生产力;以钻床、攻牙机、搓花机为辅助加工,共有80多台加工设备。主要设备包括:中国台湾自动车床50多台、进口CNC数控车床十一台、二次加工设备30多台。



公司已通过ISO9001管理系统之认证,而且大多数产品均取得UL、ENEC、CE等认证及汽车行业TS16949标准认证。防水开关并达到IP67 等级及通过TUV认证,以期提供给客户产品和服务。



压接微动开关(无杠杆电子开关元件) 轻触 滑动开关
赞(0)

文章作者置顶的回复

全部回复列表 当前第(1)页

作者基本资料

  • benz001
  • 天下id: 5981606 访客(102)
  • 注册时间: 2022-11-10 11:27:46
  • 工作时间:
  • 微动开关 轻触开关 滑动开关 检测开

作者联系方式

  • 联系人:
  • 手机: 15255706204 拨打
  • 电话:
  • 微信:
  • qq: 0
  • 地址:

添加回复,文明发言,会审核.(服务区回复可以发广告)

作者最新好文
1.Socket (插座)
无专栏
benz001 访客(102)
9阅读 0点赞 0回复 2023-04-28 10:12:40
2.DC JACK(直流插座)
无专栏
benz001 访客(102)
7阅读 0点赞 0回复 2023-04-27 16:03:56
3.检测开关(其他电子元件)
无专栏
benz001 访客(102)
15阅读 0点赞 0回复 2023-04-25 16:18:37

此文中图片和文字由用户自行上传发布,其真实性、合法性由发布人负责

信息不能违法违规,不能骗人

如果发现文章违法违规或者侵犯您的权益,可以联系管理(网站底部有管理员联系方式)删除处理

天下信息网(天下网)www.adnanoktarhaber.com免费发布分类信息网。
管理服务QQ:970190252 手机(同微信):13126507001 交流QQ群:798912496