您好! 欢迎,全国天下信息网
管理 |  登录 |  注册
全国
选城市
首页 领币排行榜 游戏与工具
首页 > 天下好文
benz001 访客(102)

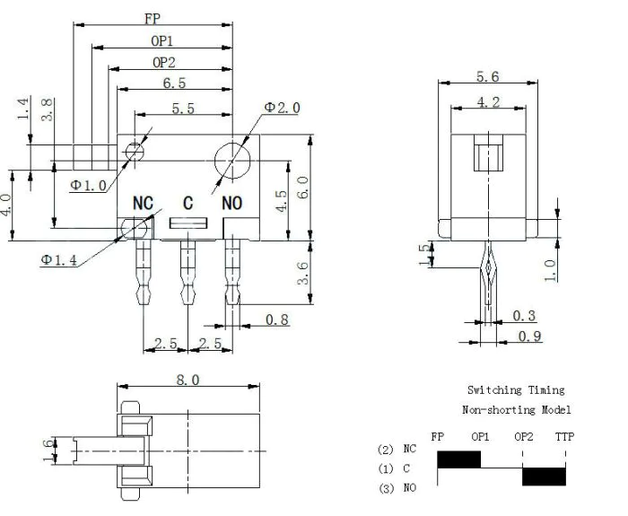
迷你微动开关(检测开关)

发布时间: 2023-03-17 17:01:11
阅读 0赞 0回复
相关图片(共3图)

详细内容
迷你微动开关(检测开关) 轻触 滑动开关是具有微小接点间隔和快动机构,用规定的行程和规定的力进行开关动动作的接点机构,用外壳覆盖,其外部有驱动杆的一种开关,因为其开关的触点间距比较小,故名微动开关,又叫灵敏开关。

使用范围非常广泛如电脑鼠标、汽车鼠标器、汽车电子产品、通讯设备、测试仪器、小家电、微波炉、电饭锅、浮球设备配套、医疗器械、楼宇自动化、电动工具及一般电气和无线电设备等。

成立于2002年﹐主要从事各式电子元器件及五金件之制造及销售。以过去十多年来的制造经验,开发出各种满足客户不同需求的产品,奥立科公司提供了广泛的、多样化的产品品牌。



雄厚的技术力量和新产品研发能力,可在短的时间内开发出适合客户要求的产品。精密模具制作和先进的塑胶注塑设备以及先进的生产工艺为生产出高品质的产品提供更有力的保障。公司始终奉行“质量是企业的生存之本,服务是企业的发展之源"的服务宗旨,为客户提供服务。



五金部有自动车床,CNC数控电脑车床 为主要生产力;以钻床、攻牙机、搓花机为辅助加工,共有80多台加工设备。主要设备包括:中国台湾自动车床50多台、进口CNC数控车床十一台、二次加工设备30多台。



公司已通过ISO9001管理系统之认证,而且大多数产品均取得UL、ENEC、CE等认证及汽车行业TS16949标准认证。防水开关并达到IP67 等级及通过TUV认证,以期提供给客户产品和服务。



迷你微动开关(检测开关) 轻触 滑动开关
赞(0)

文章作者置顶的回复

全部回复列表 当前第(1)页

作者基本资料

  • benz001
  • 天下id: 5981606 访客(102)
  • 注册时间: 2022-11-10 11:27:46
  • 工作时间:
  • 微动开关 轻触开关 滑动开关 检测开

作者联系方式

  • 联系人:
  • 手机: 15255706204 拨打
  • 电话:
  • 微信:
  • qq: 0
  • 地址:

添加回复,文明发言,会审核.(服务区回复可以发广告)

作者最新好文
1.Socket (插座)
无专栏
benz001 访客(102)
9阅读 0点赞 0回复 2023-04-28 10:12:40
2.DC JACK(直流插座)
无专栏
benz001 访客(102)
7阅读 0点赞 0回复 2023-04-27 16:03:56
3.检测开关(其他电子元件)
无专栏
benz001 访客(102)
15阅读 0点赞 0回复 2023-04-25 16:18:37

此文中图片和文字由用户自行上传发布,其真实性、合法性由发布人负责

信息不能违法违规,不能骗人

如果发现文章违法违规或者侵犯您的权益,可以联系管理(网站底部有管理员联系方式)删除处理

天下信息网(天下网)www.adnanoktarhaber.com免费发布分类信息网。
管理服务QQ:970190252 手机(同微信):13126507001 交流QQ群:798912496